细节再现工装、细节再现器具、划线试验块
符合标准:
YY/T 0462-2018,7.7细节再现
介绍:
试验块:带如图6和图7中所示的划线,由硬化不锈钢材质(400VHN)制成。
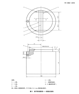
环形模具:如图8所示。按GB/T131-2006,表面粗糙度为N5(Ra=0.4μm).
开口模具:如图9所示。按GB/T131-2006,表面粗糙度为N5(Ra=0.4μm).






手机:13764930908
邮箱:AOY2992409873@163.com
QQ:2992409873
地址:上海市奉贤区金海公路3265号14幢30078室
细节再现工装、细节再现器具、划线试验块符合标准:YY/T 0462-2018,7.7细节再现介绍:试验块:带如图6和图7中所示的划线,由硬化不锈钢材质(400VHN)制成。环形模具:如图8所示。按GB/T131-2006,表面粗糙度为N5(Ra=0.4μm).开口模具:如图9所示。按GB/T131-2006,表面粗糙度为N5(Ra=0.4μm).
细节再现工装、细节再现器具、划线试验块
符合标准:
YY/T 0462-2018,7.7细节再现
介绍:
试验块:带如图6和图7中所示的划线,由硬化不锈钢材质(400VHN)制成。
环形模具:如图8所示。按GB/T131-2006,表面粗糙度为N5(Ra=0.4μm).
开口模具:如图9所示。按GB/T131-2006,表面粗糙度为N5(Ra=0.4μm).






电话:13764930908
QQ:2992409873
电邮:AOY2992409873@163.com
地址:上海市奉贤区金海公路3265号14幢30078室